Форум Опель Зафира клуб (Opel Zafira Club)
GVANGA.COM: Полезная информация

Вернуться   Форум Опель Зафира клуб (Opel Zafira Club) > Наша Зафира > Тюнинг

Ответ
 
Опции темы Опции просмотра
Старый 13.10.2017, 11:52   #21
Евгений Петрович
 
Регистрация: 17.01.2009
Адрес: Курган
Сообщений: 37
Вес репутации: 2148
Евгений Петрович на пути к лучшему
По умолчанию

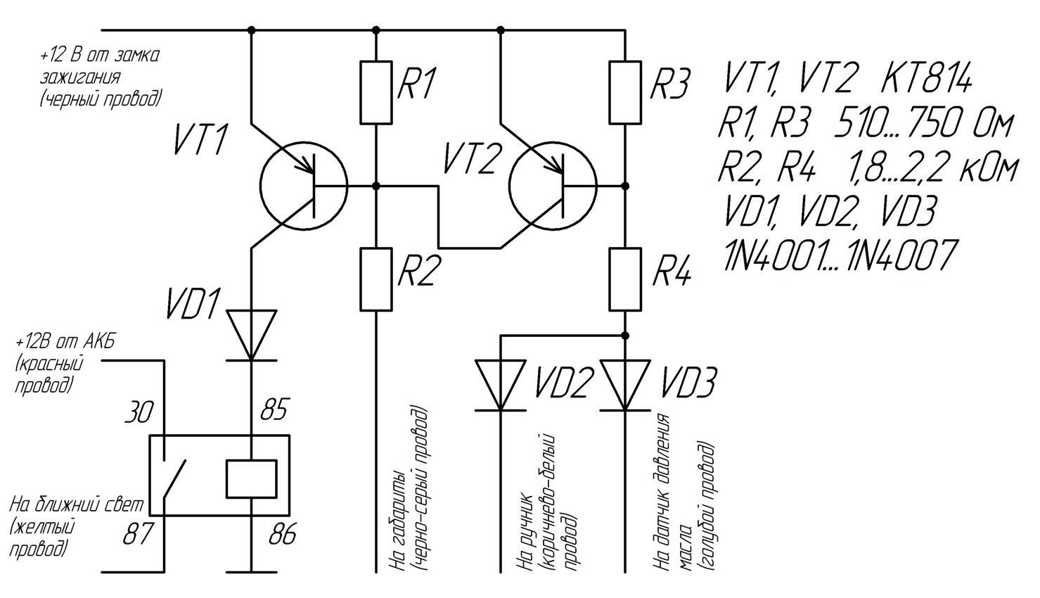
Тоже как-то заморочился этим вопросом. На одном из форумов набрел на любопытную схему. Немного допилил под А-шку (у нас нет реле БС). Два года - полет нормальный.
Сделает любой, кто хоть раз держал паяльник в руках.
Миниатюры
Нажмите на изображение для увеличения
Название: АвтоБлижнийСвет.jpg
Просмотров: 4791
Размер:	116.5 Кб
ID:	1358  
Евгений Петрович вне форума   Ответить с цитированием
Ответ


Ваши права в разделе
Вы не можете создавать новые темы
Вы не можете отвечать в темах
Вы не можете прикреплять вложения
Вы не можете редактировать свои сообщения

BB коды Вкл.
Смайлы Вкл.
[IMG] код Вкл.
HTML код Выкл.

Быстрый переход


Яндекс.Метрика
Текущее время: 23:01. Часовой пояс GMT +4.
Email: admin@zafira-world.ru